產品核心元器件實現 100%純國產化,確保穩定可靠的供應鏈與卓越品質。
采用 高精度磁式感應技術,提供單圈與多圈編碼器解決方案。
支持 Profibus-DP總線,實現工業現場高速、穩定的數據通訊。
單圈分辨率最高達 16位,多圈分辨率可達 14位,滿足高精度測量需求。
擁有超強抗沖擊與抗振動能力,防護等級最高可達 IP66,適應惡劣環境。
內置反短接與短路保護功能,有效降低安裝錯誤對編碼器的影響。


| 參數名稱 | SAS/M58A (實心軸) | SAS/M58C (盲孔型) |
|---|---|---|
| 功能特性 | ? 58mm 實心軸 | ? 58mm 盲孔型 |
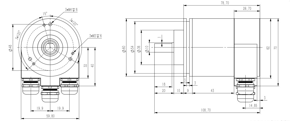
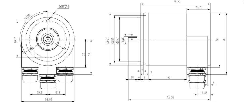
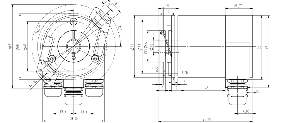
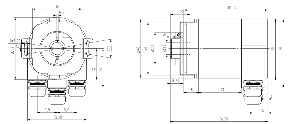
| 主軸尺寸 | ? 6、8、10、12、15mm(其它尺寸可定制) | |
| 外殼材質 | 鋁(可選不銹鋼外殼) | |
| 信號輸出接口 | Profibus-DP總線 | |
| 協議 | DPV0,DPV1 和 DPV2 Class 2(EN50170 +EN50254) | |
| 輸出驅動器 | Profibus數據接口,光耦隔離 | |
| 功能 | 單圈或多圈 | |
| 電源電壓 | 10 ~ 30VDC | |
| 單圈分辨率 | 標準為12位4096、13位8192、16位65536 | |
| 圈數 | 1圈(單圈型)、多圈標準12位4096圈、多圈最大可選14位16384圈 | |
| 功耗 | ≤ 1.5W | |
| 接口周期時間 | ≥ 1ms | |
| 編程功能 | 分辨率,速度比例+過濾器,預設(零點),計數方向,限位開關,節點號,示教模式,診斷模式 | |
| 傳輸速率 | ≤ 12Mbit | |
| 手動功能 | 地址選擇開關0-99和終端電阻DIP開關(帶有接線盒) | |
| 編碼 | 二進制碼 | |
| 物理性能 | 最大轉速:6000r/min | 主軸負載:徑向 200N,軸向 100N |
| 防護等級 | IP65或IP66 | |
| 啟動力矩 | < 0.05Nm | |
| 連接方式 | 3×M12接插件連接 | |
| 出線方式 | 徑向側出,軸向后出 | |
| 信號 | 定義 |
|---|---|
| ⊥ | 電源線地線 |
| B(左) | 數據線B(pair1),進線 |
| A(左) | 數據線A(pair1),進線 |
| (-) | 0V |
| (+) | 10V…30V |
| B(右) | 數據線B(pair 2),出線 |
| A(右) | 數據線A(pair 2),出線 |
| (-) | 0V |
| (+) | 10V…30V |
| 備注說明 | 供電電源只需連接一次(無論接哪一組端子);終端電阻切入時,BUS OUT被斷開 |

| LED紅 | LED綠 | 狀態信息/可能的原因 |
|---|---|---|
| 暗 | 暗 | 無電源 |
| 亮 | 亮 | 旋轉編碼器已準備工作,但還沒有接收到基于電壓的配置數據;可能的原因:例如地址設置不正確、總線連接不正確 |
| 亮 | 閃 | 參數分配或配置錯誤。旋轉編碼器接收到的配置或參數分配數據的長度不可能正確或數據不協調;可能的原因:例如總分辨率設置過高 |
| 閃 | 亮 | 旋轉編碼器已準備工作,但沒有被主站訪問到(例如地址錯誤導致這種情況出現) |
| 亮 | 暗 | 旋轉編碼器在一定時間(約40秒)內沒有接到任何數據(數據線可能被中斷) |
| 暗 | 亮 | 數據交換在正常模式下工作 |
| 暗 | 閃 | 數據交換在調試模式下工作 |




| SA | ① | 58 | ② | - | DP | ④ | ⑤ | - | ⑥ | - | ⑦ | ⑧ | ⑨ | - | ⑩ |
電話聯系:15050450799(微信同號)
? 昆山西威迪高科有限公司 網站地圖 蘇ICP備14036688號
蘇公網安備32058302003763號