堅固重載型增量編碼器,孔徑最大45mm
通孔型編碼器,孔徑可靈活定制
脈沖數最高可達10000P/R,超高抗干擾性能
高分子光柵,超好的防震性能,防護等級最高達IP66
完美應用于各種港口、冶金、礦山、鋼廠、油田和自動化行業,EX 防爆型編碼器

| 參數名稱 | 技術規格內容 | |
|---|---|---|
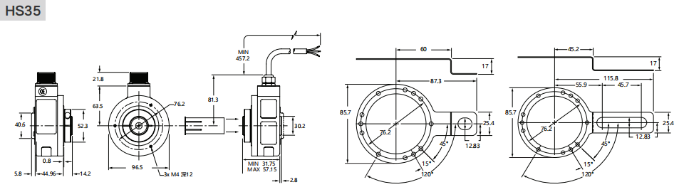
| 尺寸 (外殼) | ? 96.5mm | |
| 主軸尺寸 | 通孔型 ? 16、20、25、28、30、32、38、42、45mm;? 1英寸、? 5/8英寸、? 3/4英寸通孔空心軸 | |
| 外殼材質 | 鋁 | |
| 工作原理 | 光電 | |
| 電源電壓 | 5VDC、5~30VDC、10~30VDC | |
| 輸出方式/信號 | TTL/RS422、HTL/推挽、HCHTL;信號 A B Z + A/ B/ Z/ (可選雙路信號輸出) | |
| 最大響應頻率 | 300kHz | |
| 電路保護 | 反極性保護:有;短路保護:有 | |
| 連接與出線 | 連接方式:電纜、插頭;出線方式:徑向側出 | |
| 運動性能 | 最大轉速:6000r/min;主軸負載:徑向 200N,軸向 80N | |
| 環境防護 | 防護等級:IP65 或 IP66;工作溫度:-25°C...+85°C (可選工作溫度 -40°C...100°C) | |
| 力矩與抗力 | 啟動力矩:8×10?2 N.m Max.;抗沖擊:1000m/s2, 6ms;抗振動:100m/s2, 10...200Hz | |
| 脈沖數 (ppr) | 常用脈沖:10...10000 ppr (1~10000脈沖以內均可選) | |
| 信號 | 0V | UB | NC | NC | A | A- | B | B- | 0 | 0- | 屏蔽 |
|---|---|---|---|---|---|---|---|---|---|---|---|
| M23接插件, 12針 | 10 | 12 | 11 | 2 | 5 | 6 | 8 | 1 | 3 | 4 | 10 |
| M12接插件, 8針 | 1 | 2 | - | - | 3 | 4 | 5 | 6 | 7 | 8 | 1 |
| MIL接插件(MS標準), 10針 | F | D | E | A | G | B | H | C | I | J | F |
| 接線顏色 | 白 | 棕 | - | - | 綠 | 黃 | 灰 | 粉 | 藍 | 黑 | 屏蔽 |
| 接插件類型 | 5針 M12接插件 | 8針 M12接插件 | 12針 M23接插件 |
|---|---|---|---|
| 連接座俯視圖 |
|
||


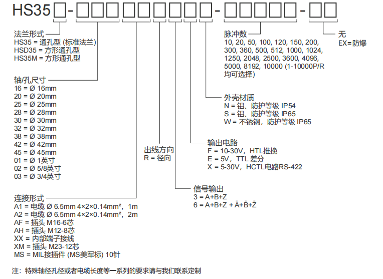
| HS | ① | - | ② | ③ | ④ | ⑤ | - | ⑥ | - | R | ⑦ | - | ⑧ |
電話聯系:15050450799(微信同號)
? 昆山西威迪高科有限公司 網站地圖 蘇ICP備14036688號
蘇公網安備32058302003763號