重載堅固軸型編碼器,防止海水和熱帶氣候
EX 防爆型編碼器EX II 2G Ex ib IIB T4 Gb
精確的光電感應或磁感應技術、電磁兼容性好
每圈脈沖數最高可達10000P/R
過壓、過流、浪涌沖擊保護
堅固的金屬外殼、雙軸承設計、防護等級高達IP68
具備反短接和短路保護、有效降低安裝錯誤對編碼器造成影響


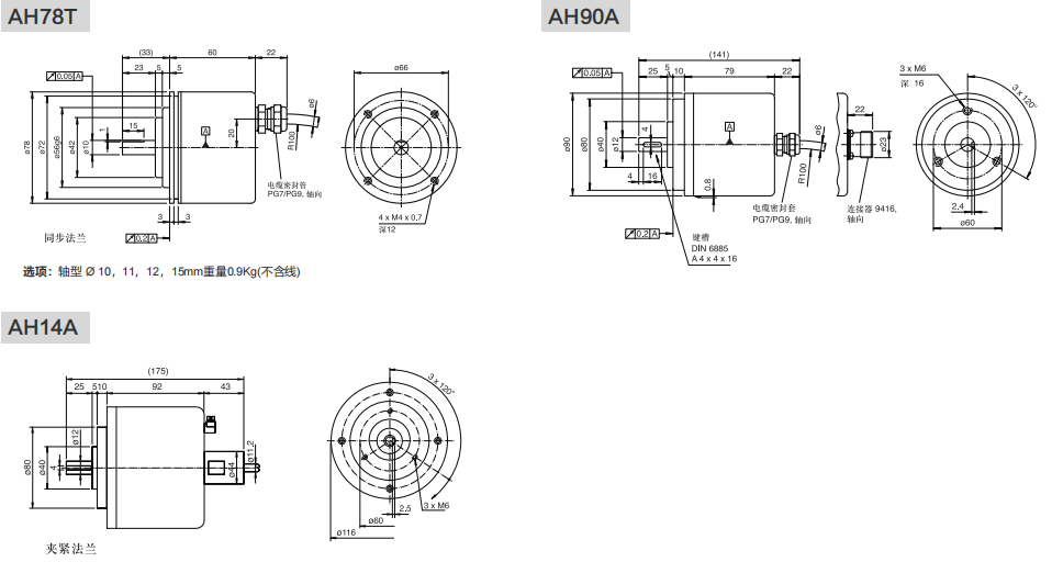
| 產品系列 | SAH78A | SAH90A |
|---|---|---|
| 法蘭特性 (外殼) | ? 78mm | ? 90mm |
| 主軸尺寸 | 軸型 ? 10、11、12、15mm | |
| 外殼材質 | 鋁合金 (可選不銹鋼外殼) | |
| 感應原理 | 光學或磁式 | |
| 電源電壓 | 5V ± 5%、10~30VDC、5~30VDC | |
| 輸出方式 | HTL/推挽式、TTL/RS422 | |
| 輸出信號 | A B Z + A/ B/ Z/ | |
| 響應頻率 | 300kHz max | |
| 保護功能 | 反極性保護:有;短路保護:有 | |
| 連接與出線 | 連接:電纜、插頭;出線:軸向后出、徑向側出 | |
| 最大轉速 | 12000r/min | |
| 主軸負載 | 徑向 100N,軸向 60N | |
| 防護等級 | IP65、IP68 (可選) | |
| 啟動力矩 | < 0.01Nm (IP65) 、 < 0.05Nm (IP68) | |
| 溫度范圍 | 工作:-40℃...+85℃ (可選 -40℃...+110℃);儲存:-40℃...+100℃ | |
| 抗沖擊/振動 | 抗沖擊:2500m/s2, 6ms;抗振動:100m/s2, 10..2000Hz | |
| 每圈脈沖數 | 常用脈沖:1...10240 (16384脈沖以內任何規格均可以定制) | |
| 信號 | 0V | UB | NC | NC | A | A- | B | B- | 0 | 0- | 屏蔽 |
|---|---|---|---|---|---|---|---|---|---|---|---|
| M23接插件, 12針 | 10 | 12 | 11 | 2 | 5 | 6 | 8 | 1 | 3 | 4 | 10 |
| M12接插件, 8針 | 1 | 2 | 3 | 4 | 5 | 6 | 7 | 8 | 1 | ||
| MIL接插件(MS標準), 10針 | F | D | E | A | G | B | H | C | I | J | F |
| 接線顏色 | 白 | 棕 | 綠 | 黃 | 灰 | 粉 | 藍 | 黑 | 屏蔽 |
| 接插件類型 | 5針 M12接插件 | 8針 M12接插件 | 12針 M23接插件 |
|---|---|---|---|
| 連接座俯視圖 |
|
||


| SAH | ① | - | ② | ③ | ④ | ⑤ | - | ⑥ | - | A | ⑦ | - | ⑧ |
電話聯系:15050450799(微信同號)
? 昆山西威迪高科有限公司 網站地圖 蘇ICP備14036688號
蘇公網安備32058302003763號