精確的光電感應 >>
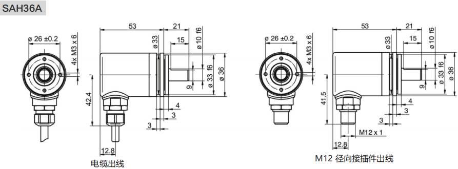
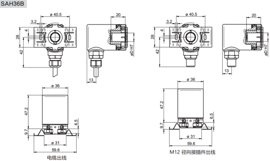
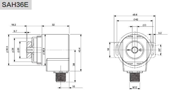
外形尺寸36mm實心軸型,盲孔型編碼器
雙軸承設計、防護等級高達IP67
脈沖數最高可達16384P/R
特別適合空間狹窄的環境,減小安裝空間
具備反短接和短路保護、有效降低安裝錯誤對編碼器造成影響


| 參數名稱 | SAH36A (實心軸帶夾緊法蘭) | SAH36C (盲孔型) |
|---|---|---|
| 功能特性 | ? 36mm 實心軸帶夾緊法蘭 | ? 36mm 盲孔型 |
| 主軸尺寸 | ? 6、8、10mm | ? 6、8、10、12、14、15mm |
| 外殼材質 | 鋁(可選不銹鋼外殼) | |
| 感應原理 | 光學或磁式 | |
| 電源電壓 | 5V ± 5%、10~30VDC、5~30VDC | |
| 輸出方式 | HTL/推挽式、TTL/RS422 | |
| 輸出信號 | A B Z + A/ B/ Z/ | |
| 響應頻率 | 300kHz max | |
| 安全保護 | 反極性保護:有;短路保護:有 | |
| 物理性能 | 最大轉速:6000r/min | 主軸負載:徑向 40N,軸向 20N |
| 環境指標 | 防護等級:IP54、IP65;工作溫度:-30℃...+85℃ | |
| 機械強度 | 抗沖擊:100g, 6ms;抗振動:10g, 10...200 HZ | |
| 每圈脈沖數 | 10...10000(10000脈沖以內任何規格脈沖均可定制) | |
| 信號 | 0V | +UB | A | A- | B | B- | Z | Z- | 屏蔽 |
|---|---|---|---|---|---|---|---|---|---|
| 顏色 | 白 | 棕 | 綠 | 黃 | 灰 | 粉 | 藍 | 紅 | ? |
| 針號(12針) | 10 | 12 | 5 | 6 | 8 | 1 | 3 | 4 | PH |
| 針號(5針) | 1 | 2 | 3 | - | 4 | - | 5 | - | PH |
| 針號(8針) | 1 | 2 | 3 | 4 | 5 | 6 | 7 | 8 | PH |
| 接插件類型 | 5針 M12接插件 | 8針 M12接插件 | 12針 M23接插件 |
|---|---|---|---|
| 連接座俯視圖 |
|
||





電話聯系:15050450799(微信同號)
? 昆山西威迪高科有限公司 網站地圖 蘇ICP備14036688號
蘇公網安備32058302003763號