B10 歐規法蘭、帶有可編程超速開關
具有防雷擊、過壓、過流、浪涌沖擊保護
外殼具有防護等級 IP67的堅固外殼、可防止受到灰塵和液體的污染。
用于危險環境的型號通過ATEX認證
每圈脈沖數最高可達16384P/R
可提供雙重輸出模塊,冗余掃描傳感器和兩個獨立的且電氣隔離的電子電路

| 參數項 | 規格內容 |
|---|---|
| 產品系列 | SAH115 |
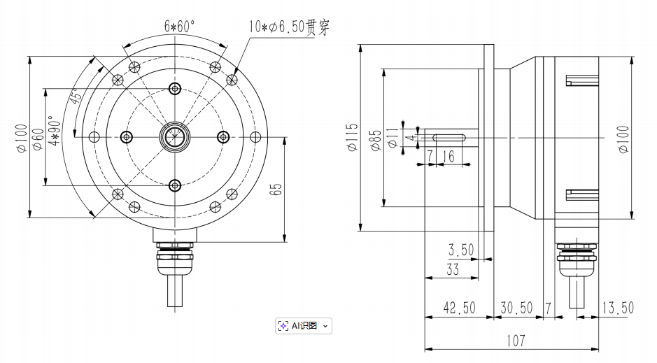
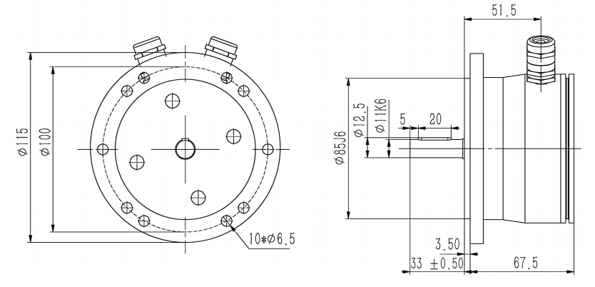
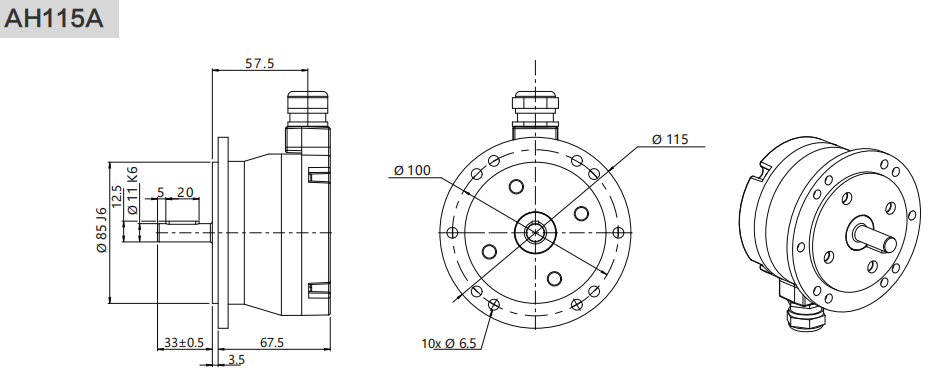
| 尺寸 (外殼) | ? 115mm |
| 主軸尺寸 | 實心軸可選 ? 10、11、12、15mm |
| 感應原理 | 光學或磁式 |
| 電源電壓 | 5V ± 5%、10~30VDC、5~30VDC |
| 輸出方式 | HTL/推挽式、TTL/RS422 |
| 輸出信號 | A B Z + A/ B/ Z/ (可選雙路信號輸出) |
| 響應頻率 | 300kHz max |
| 保護功能 | 反極性保護:有;短路保護:有 |
| 超速開關 | 1至5000超速范圍以內均可編程實現 |
| 連接方式 | 電纜、插頭 |
| 出線方式 | 軸向后出、徑向側出 |
| 最大轉速 | 12000r/min |
| 主軸負載 | 徑向 400N,軸向 300N |
| 防護等級 | IP65、IP68 (可選) |
| 啟動力矩 | < 0.01Nm (IP65) 、 < 0.05Nm (IP68) |
| 溫度范圍 | 工作:-40℃...+85℃ (可選 -40℃...+110℃);儲存:-40℃...+100℃ |
| 抗沖擊/振動 | 抗沖擊:2500m/s2, 6ms;抗振動:100m/s2, 10..2000Hz |
| 每圈脈沖數 | 常用脈沖:1...10240 (16384脈沖以內任何規格均可以定制) |
| 信號 | 0V | UB | NC | NC | A | A- | B | B- | 0 | 0- | 屏蔽 |
|---|---|---|---|---|---|---|---|---|---|---|---|
| M23接插件, 12針 | 10 | 12 | 11 | 2 | 5 | 6 | 8 | 1 | 3 | 4 | 10 |
| M12接插件, 8針 | 1 | 2 | 3 | 4 | 5 | 6 | 7 | 8 | 1 | ||
| MIL接插件(MS標準), 10針 | F | D | E | A | G | B | H | C | I | J | F |
| 接線顏色 | 白 | 棕 | 綠 | 黃 | 灰 | 粉 | 藍 | 黑 | 屏蔽 |


| SAH115 | ① | - | ② | ③ | ④ | ⑤ | - | ⑥ | - | R | ⑦ | - | ⑧ |
電話聯系:15050450799(微信同號)
? 昆山西威迪高科有限公司 網站地圖 蘇ICP備14036688號
蘇公網安備32058302003763號