保證產品每個元器件的百分之百純國產化
高精確的磁式感應技術,單圈或多圈編碼器
Modbus TCP/IP總線最大速率10/100Mbit
單圈分辨率最高可達18位,多圈圈數高達14位
超強的抗磁場干擾能力,LED狀態顯示
具備反短接和短路保護、有效降低安裝錯誤對編碼器造成影響


| 參數名稱 | SAS/M58A (實心軸) | SAS/M58C (盲孔型) |
|---|---|---|
| 功能特性 | ? 58mm實心軸 | ? 58mm 盲孔型 |
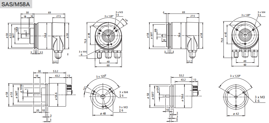
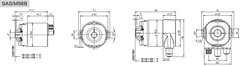
| 主軸尺寸 | ? 6、8、10、12、15mm(其它尺寸可定制 ) | |
| 外殼材質 | 鋁(可選不銹鋼外殼) | |
| 信號輸出接口 | 以太網Modbus TCP | |
| 協議 | TCP/IP,UDP,Modbus TCP (IEC 61158) | |
| 輸出驅動器 | Ethernet | |
| 功能 | 單圈或多圈 | |
| 電源電壓 | 10 ~ 30VDC | |
| 單圈分辨率 | 標準為12位4096、13位8192、16位65536、18位2677216 | |
| 圈數 | 1圈(單圈型)、多圈標準12位4096圈、多圈最大可選14位16384圈 | |
| 功耗 | ≤ 2.5W | |
| 啟動時間 | < 1s | |
| 接口周期時間 | ≥ 10ms | |
| 編程功能 | 分辨率,預置,計數方向,傳輸模式:輪詢模式,循環模式,同步模式 | |
| 傳輸速率 | 10/100 Mbit | |
| 編碼 | 二進制碼 | |
| 安全保護 | 反極性保護:有;短路保護:有;防雷擊防靜電保護:有 | |
| 物理性能 | 最大轉速:6000r/min | 主軸負載:徑向 200N,軸向 100N |
| 防護等級 | IP65或IP66 | |
| 啟動力矩 | < 0.05Nm | |
| 工作溫度 | -30℃…85℃(可定制工作溫度-40℃…85℃) | |
| 儲存溫度 | -40℃…100℃ | |
| 抗力指標 | 抗沖擊:1000m/s2,6ms(100g) | 抗振動:20g |
| 連接方式 | 3×M12接插件連接 | |
| 出線方式 | 徑向側出,軸向后出 | |




| SA | ① | 58 | ② | - | TP | ④ | ⑤ | - | ⑥ | - | ⑦ | ⑧ | ⑨ | - | ⑩ |
電話聯系:15050450799(微信同號)
? 昆山西威迪高科有限公司 網站地圖 蘇ICP備14036688號
蘇公網安備32058302003763號